This website works better with JavaScript
Accueil
Explorer
Aide
Connexion
sebastian
/
CoffeePi
Suivre
1
Voter
0
Fork
0
Fichiers
Tickets
0
Pull Requests
0
Wiki
Aborescence:
079d0a48de
Branches
Tags
master
CoffeePi
/
Datasheets
/
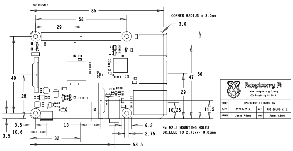
mechanicalspecsRaspberryPiB+.png
mechanicalspecsRaspberryPiB+.png
70 KB
Historique
Raw