This website works better with JavaScript
Главная
Обзор
Помощь
Вход
sebastian
/
CoffeePi
Следить
1
В избранное
0
Ответвить
0
Файлы
Задачи
0
Запросы на слияние
0
Вики
Дерево:
149460c397
Ветки
Метки
master
CoffeePi
/
Datasheets
/
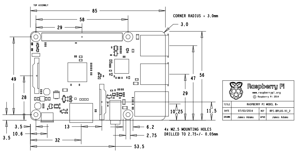
mechanicalspecsRaspberryPiB+.png
mechanicalspecsRaspberryPiB+.png
70 KB
История
Исходник