This website works better with JavaScript
首頁
探索
說明
登入
sebastian
/
CoffeePi
關註
1
讚好
0
複刻
0
Files
問題管理
0
合併請求
0
Wiki
目錄樹:
1754d0c769
分支列表
標籤列表
master
CoffeePi
/
Datasheets
/
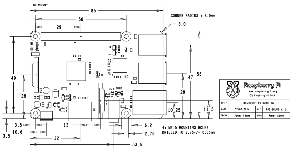
mechanicalspecsRaspberryPiB+.png
mechanicalspecsRaspberryPiB+.png
70 KB
文件歷史
原始文件