This website works better with JavaScript
Эхлэл
Бүгдийг харах
Тусламж
Нэвтрэх
sebastian
/
CoffeePi
Үзэх жагсаалтад нэмэх
1
Онцлох жагсаалтад нэмэх
0
Салаа
0
Файлууд
Асуудлууд
0
Хуулах хүсэлтүүд
0
Мэдлэгийн сан
Мод:
460ec05282
Салаанууд
Тагууд
master
CoffeePi
/
Datasheets
/
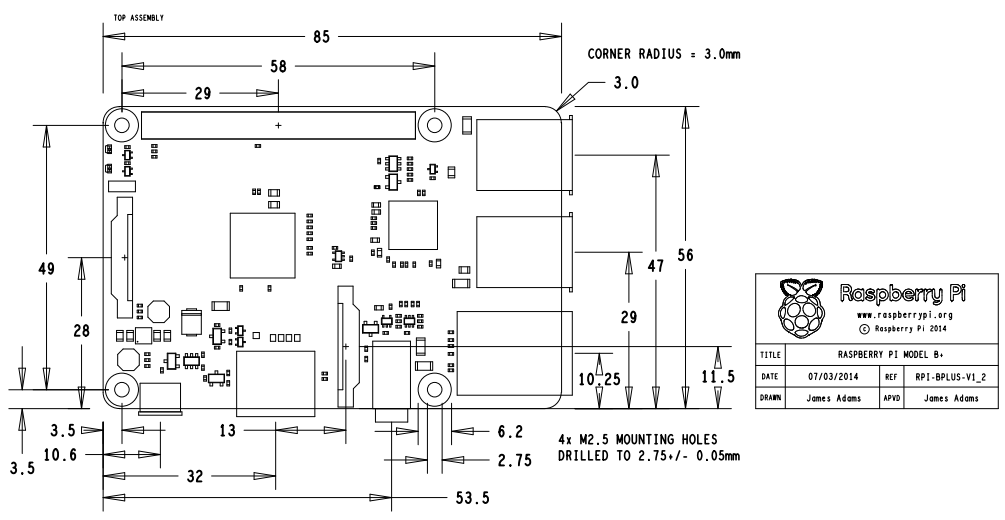
mechanicalspecsRaspberryPiB+.png
mechanicalspecsRaspberryPiB+.png
70 KB
Түүх
Анхны өгөгдөл