This website works better with JavaScript
Inicio
Explorar
Axuda
Iniciar sesión
sebastian
/
CoffeePi
Seguir
1
Destacar
0
Fork
0
Ficheiros
Incidencias
0
Pull Requests
0
Wiki
Árbore:
5ffe950114
Ramas
Etiquetas
master
CoffeePi
/
Datasheets
/
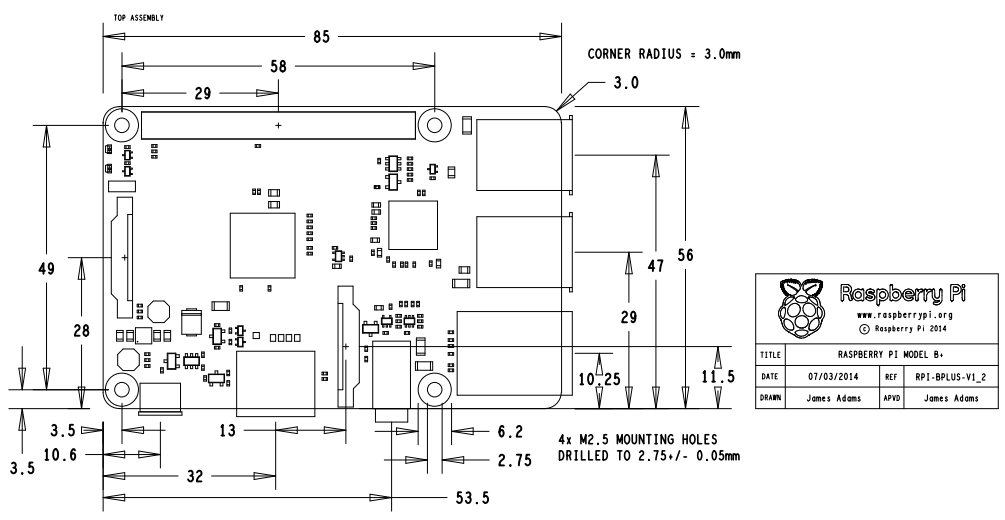
mechanicalspecsRaspberryPiB+.png
mechanicalspecsRaspberryPiB+.png
70 KB
Histórico
Raw