This website works better with JavaScript
Acasă
Explorează
Ajutor
Autentificare
sebastian
/
CoffeePi
Urmărește
1
Stea
0
Bifurcare
0
Fisiere
Probleme
0
Trageți solicitările
0
Wiki
Arbore:
82af776717
Ramuri
Etichete
master
CoffeePi
/
Datasheets
/
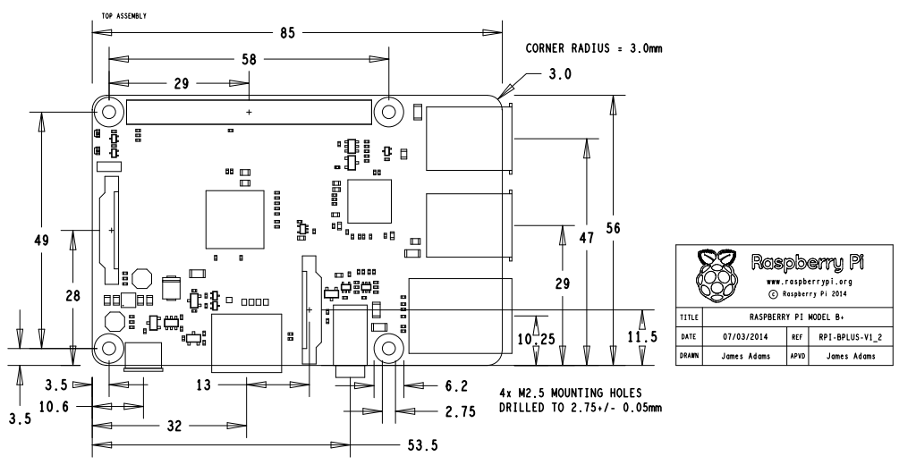
mechanicalspecsRaspberryPiB+.png
mechanicalspecsRaspberryPiB+.png
70 KB
Istoric
Crud