This website works better with JavaScript
Sākums
Izpētīt
Palīdzība
Pierakstīties
sebastian
/
CoffeePi
Vērot
1
Pievienot zvaigznīti
0
Atdalīts
0
Faili
Problēmas
0
Izmaiņu pieprasījumi
0
Vikivietne
Koks:
be164532ee
Atzari
Tagi
master
CoffeePi
/
Datasheets
/
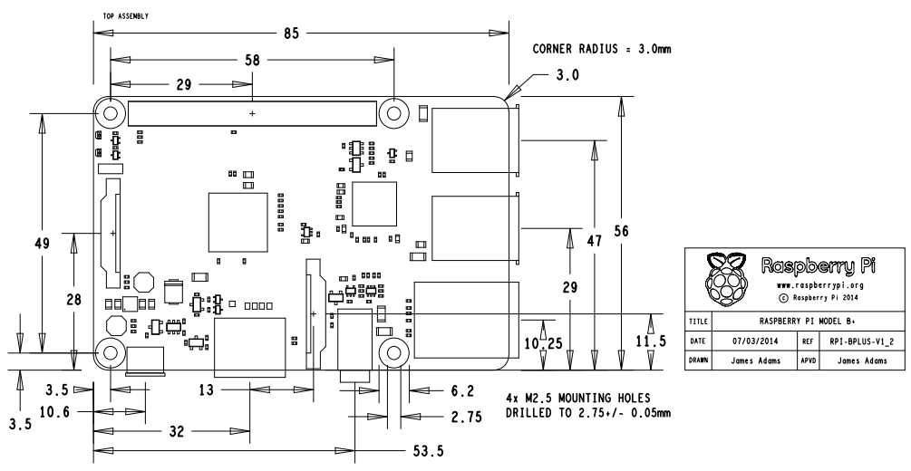
mechanicalspecsRaspberryPiB+.png
mechanicalspecsRaspberryPiB+.png
70 KB
Vēsture
Neapstrādāts