This website works better with JavaScript
Почетна
Преглед
Помоћ
Пријавите се
sebastian
/
CoffeePi
Прати
1
Волим
0
Креирај огранак
0
Датотеке
Дискусије
0
Захтеви за спајање
0
Вики
Дрво:
cc9812c416
Гране
Ознаке
master
CoffeePi
/
Datasheets
/
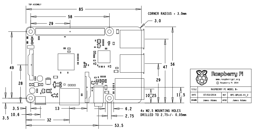
mechanicalspecsRaspberryPiB+.png
mechanicalspecsRaspberryPiB+.png
70 KB
Историја
Датотека